产品类别:
IF射频插座系列
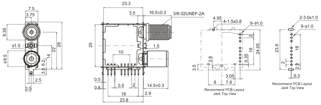
产品型号:
IF-2-S-12
点击次数: 发布时间: 【
打印
】 【
返回
】