产品类别:
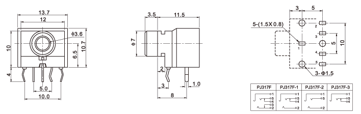
3.5耳机插座
产品型号:
PJ-317F
点击次数: 发布时间: 【
打印
】 【
返回
】