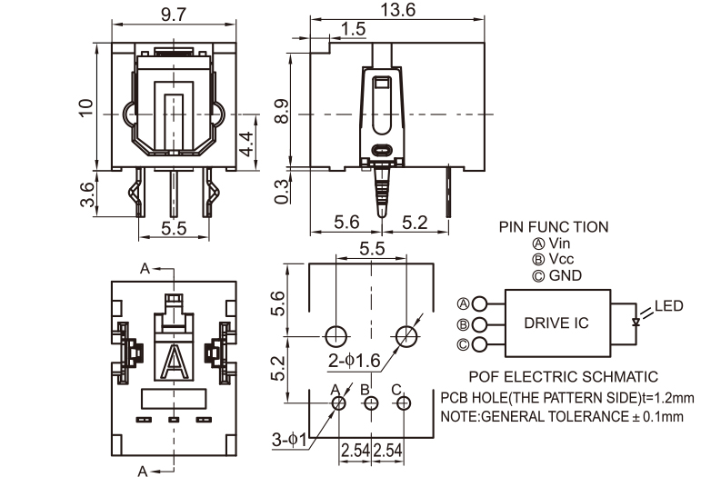
Product category:
CQFIBERSOCKET
Product model:
GQ-001
点击次数: 发布时间: 【
打印
】 【
返回
】